مغناطیسی الکترونیکی یک نوع RCCB 125A/30MA قادر است جریانهای باقیمانده را در مدارها به دلیل نشت ، مدارهای کوتاه یا گسل های زمینی تشخیص دهد و به طور خودکار مدارها را قطع کند وقتی جریان از آستانه از پیش تعیین شده فراتر می رود ، بنابراین از ایمنی پرسنل و تجهیزات محافظت می کند. اصل کار آن مبتنی بر اصل القاء الکترومغناطیسی است ، هنگامی که جریان باقیمانده از ترانسفورماتور عبور می کند ، شار مغناطیسی مربوطه تولید می شود که به نوبه خود باعث ایجاد مدار الکترونیکی برای انجام پردازش سیگنال می شود و در نهایت عملکرد مکانیسم رهاسازی را کنترل می کند.
|
مدل: |
STFP360-125 |
| استاندارد: | IEC 61008-1 |
|
خصوصیات فعلی باقیمانده: |
و ، |
|
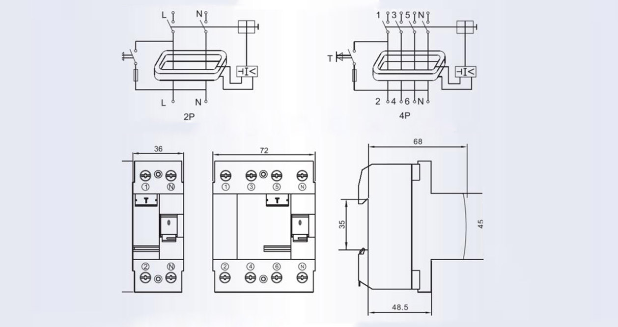
قطب شماره: |
2p ، 4p |
|
جریان فعلی: |
16a ، 25a ، 32a ، 40a ، 63،80،100،125a |
|
ولتاژ دارای امتیاز: |
230/400 ولت AC |
|
فرکانس دارای امتیاز: |
50/60 هرتز |
|
دارای رتبه بندی باقیمانده جریان IΔN: |
10mA ، 30mA ، 100mA ، 300ma ، 500ma |
|
دارای جریان غیرقانونی جریان I ΔNO: |
0.0.5iδn |
|
دارای رتبه بندی جریان کوتاه مدت شرطی شرکت: |
6000a |
|
دارای اتصال کوتاه باقیمانده شرطی IΔC فعلی: |
6000a |
|
مدت زمان عبور: |
فوری Tripping≤0.1 ثانیه |
|
دامنه جریان باقی مانده: |
0.5iΔN ~ iΔN |
|
استقامت الکترو مکانیکی: |
4000 چرخه |
|
گشتاور بست: |
2.0 نیوتن متر |
|
ترمینال اتصال: |
ترمینال ستون ترمینال پیچ با گیره |
|
نصب: |
نصب راه آهن 35 میلی متری دین |
حساسیت بالا و پاسخ سریع: RCCB های الکترومغناطیسی می توانند جریانهای باقیمانده کوچک ، معمولاً کمتر از 30 میلی آمپر (مقدار دقیق مطابق با مشخصات محصول) را تشخیص دهند و به سرعت مدار را در چند میلی ثانیه قطع کنند ، به طور موثری از تصادفات شوک الکتریکی جلوگیری می کنند.
حفاظت از الکترومغناطیسی: در مقایسه با RCCB های کاملاً الکترونیکی ، RCCB های الکترومغناطیسی اصل القای الکترومغناطیسی را ترکیب می کنند ، که دارای قابلیت اطمینان و ثبات بالاتری است و می تواند به طور عادی در محیط های مختلف سخت کار کند.
چند منظوره: برخی از RCCB های الکترومغناطیسی همچنین دارای اضافه بار ، مدار کوتاه و سایر توابع محافظت هستند که می توانند به طور جامع از ایمنی مدارها و تجهیزات محافظت کنند.
نصب و نگهداری آسان: RCCB های الکترومغناطیسی معمولاً از طراحی مدولار ، ساختار جمع و جور ، نصب آسان و آسان برای انجام نگهداری و بازرسی روتین استفاده می کنند.
اصل عملیاتی RCCB الکترومغناطیسی مبتنی بر قانون Kirchhoff است که بیان می کند که جریان ورودی همیشه برابر با جریان خروجی (در حالت ایده آل) است. هنگامی که یک نشت یا گسل زمین در مدار وجود دارد ، بخشی از جریان مستقیماً به زمین جریان می یابد که بار را دور می کند و یک جریان باقیمانده ایجاد می کند. در این مرحله ، ترانسفورماتور این جریان نامتعادل را تشخیص داده و یک شار مغناطیسی مربوطه را تولید می کند. پس از پردازش شار مغناطیسی توسط مدار الکترونیکی ، عملکرد مکانیسم سلب را تحریک می کند ، به طوری که قطع کننده مدار به سرعت مدار را قطع می کند.
RCCB های الکترومغناطیسی به طور گسترده ای در موقعیت های مختلفی مورد استفاده قرار می گیرند که حفاظت از الکتریکی مورد نیاز است ، از جمله اما محدود به این موارد نیست:
ساختمانهای مسکونی و تجاری: برای محافظت از تجهیزات الکتریکی و ایمنی شخصی ، جلوگیری از تصادفات شوک الکتریکی و آتش سوزی الکتریکی استفاده می شود.
خطوط تولید صنعتی: برای محافظت از تجهیزات الکتریکی مانند موتورها ، ترانسفورماتورها و سایر تجهیزات الکتریکی از عملکرد عادی ، جلوگیری از آسیب تجهیزات و خرابی به دلیل نشت و اضافه بار استفاده می شود.
امکانات عمومی: مانند بیمارستان ها ، مدارس ، کتابخانه ها و مکان های دیگر ، برای اطمینان از عملکرد ایمن تجهیزات برقی و استفاده ایمن از برق توسط پرسنل استفاده می شود.

